20Segmenti.it


Vai ai contenuti

Sviluppo

PROGETTO

Ogni parte di questo circuito è stata progettata appositamente per questa tesina. Questa scelta è stata fatta per rendere l’intero progetto più interessante dal punto di vista della logica che lo compone.

Era più facile progettare l’intero circuito utilizzando alcuni componenti già presenti sul mercato come un decoder 5 bit (punto 5) o un contatore 5 bit up/down (punto 4), ma ho deciso di progettarli logicamente imparare come utilizzare le porte logiche per creare interi circuiti.

Per progettare questi circuiti è stato necessario uno studio di tutte le combinazioni di ingressi possibili, e delle corrispondenti combinazioni di uscita desiderate.


Per uno studio di questo tipo, ho utilizzato le regole di semplificazione logica delle mappe di Karnaugh, che permettono di semplificare ai minimi termini ogni espressione logica di massimo 5 bit.
Grazie a questa tecnica mi è stato possibile semplificare il circuito interno ad ogni fase del progetto, semplificando gli schemi logici e gli eventuali costi di produzione.

Qui a fianco viene mostrata una mappa in cui sono stati evidenziati tutti i raggruppamenti possibili di 1, ossia di uscita logica attiva. I gruppi devono avere un numero di elementi pari a una potenza di 2. È necessario compiere uno studio di questo tipo, con una o più mappe, per ogni uscita del circuito.


Una progettazione di questo tipo ha richiesto molti calcoli per non perdere le variabili di nessuno dei segnali presenti.
La parte del progetto che ha richiesto il maggior numero di calcoli, è stata la numero 3, ossia il circuito col compito di accendere le lettere sui display nel modo desiderato; infatti è costituito 130 segnali necessari all’individuazione del carattere ricevuto (26 possibili caratteri per 5 bit), e da altri 141 per accendere i segmenti corrispondenti all’aspetto scelto per ogni carattere.

Per riuscire ad ottenere le versioni definitive, tutti i circuiti progettati sono stati più volte semplificati e modificati. Inoltre alcuni progetti sono stati modificati per essere realizzabili senza ulteriori modifiche, con i componenti attivi esistenti.


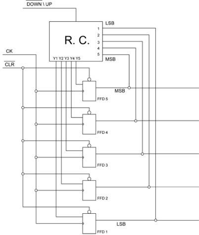
Queste due immagini mostrano due dei circuiti progettati, e più precisamente quelli che compongono il punto 4. L’immagine a destra rappresenta la rete combinatoria non presente all’interno dello schema generale sulla sinistra.


Questo circuito implementa un contatore UP / DOWN sincrono di 5 bit, con funzione di Clear.
Grazie a questo componente, il pannello è in grado di scrivere un carattere in ogni display, evitando di sovrascrivere il messaggio e perdere delle informazioni.
In questo caso, progettare appositamente questo componente, è sicuramente la scelta migliore, perché ha un compito fondamentale nel funzionamento del dispositivo, e non è possibile trovare un equivalente sul mercato.
Sul sito web espositivo vengono illustrate tutte le scelte di questo tipo che ho dovuto compiere durante questo progetto.

Per la realizzazione della parte pratica della tesina, è stata necessaria una ricerca per individuare i componenti effettivamente esistenti o reperibili, ed adattare il progetto a queste esigenze. Ho acquistato buona parte dei componenti su internet, a causa dell’impossibilità di reperirli in negozi o fiere specializzate.

Tutte le conoscenze apprese per lo sviluppo di questo progetto, riguardano argomenti trattati in elettronica durante il corso del triennio.



HOME | DISPOSITIVO | PROGETTO | NEGOZIO | AREA CLIENTI | Mappa del sito


Menu di sezione:


Torna ai contenuti | Torna al menu